1、典型电加热器控制线路
(1)XXRL型数显式控制柜为普通继电器控制的控制柜(俗称通断式),控制柜具有电压、电流、温度指示等。短路、过载漏电、过热保护等,此控制柜具有操作简单,维修方便,造价低,使用寿命长等特点,适用于各种电加热器的控制。

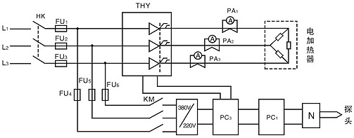
(2)XXDY型数显式调压控制柜,采用晶闸管,PC线路控制,根据出口所测温度自动调节电压,具有操作方便.可靠性高.成套性强。适用于大功率电加热器控制。

(3)XXDG型数显式调功控制柜,是目前世界上最先进的控制系统。该技术引进日本技术而开发,特别适合负载为电阻性的设备。调功控制具有控制精度高(±1℃)。无干扰(特别对计算机)抗干扰强,操作方便,可靠性高,并具有良好的保护系统。当可控硅散热器超温,快速熔断器动作时,当加热器温度超温时,报警都会发出报警信号。

2、远程设定和信号的再传输

3、功率密度的选择和计算
功率密度的选择是很专业的问题。如果功率密度过高,介质在加热管表面容易结碳或结焦,缩短了加热器的使用寿命;如果功率密度过低,产生加热器体积过大,成本过高。因此功率密度的选择必须根据具体的使用环境而定,它受介质流量、特性、传热系数、粘度及比热等等的影响;对于一些低组份的介质,一般推荐用实验的方法来获得。


|